L-MET

pH elektrode LE438

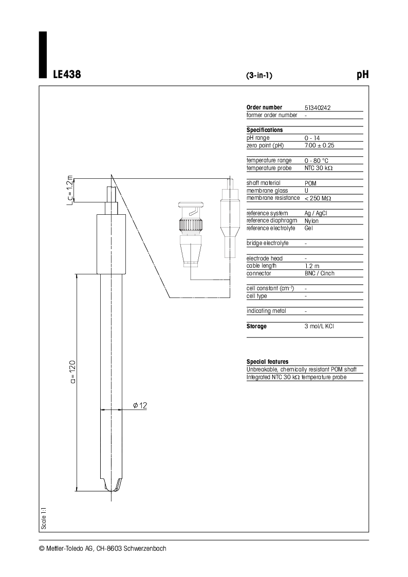
Varenr. 51340242

LE-sensor – prismæssigt overkommelig og pålidelig 3-i-1-pH-elektrode i plast med integreret temperatursensor til feltbrug, prøver med svingende temperaturer. Minimal vedligeholdelse. Afprøvede og pålidelige funktioner Denne robuste pH-elektrode i plast er altid klar til brug og giver hurtige og præcise resultater Altid den rigtige temperatur Den integrerede temperatursonde garanterer, at du altid måler med den korrekte temperaturkompensering. Den rette sensor til enhver anvendelse METTLER TOLEDO leverer pH-sensorer og andre sensorer til alle anvendelsestyper. Find den sensor, der passer bedst til dig, her: www.mt.com/electrode-guide

Specifikationer
Varenr. 51340242
Antal / pk 1
Enhed stk
Leverandørens varenummer 51340242
UNSPSC 41115604
Tarifnummer 9027900000